Filtro Hesheng
Equipamento Introdução
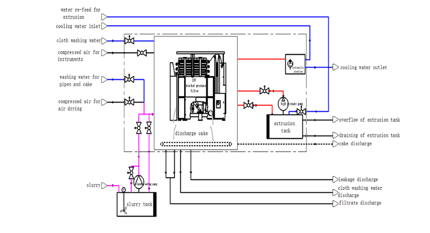
O filtro de pressão empilhado SPF é um tipo de equipamento de separação sólido-líquido de alta eficiência, economia de energia e inteligente. Ele faz pleno uso da pressão da bomba de alimentação de chorume, propriedades de chorume e pressão de extrusão de diafragma de borracha, e usa um pano de filtro como meio de filtro para separar o sólido e o líquido da pasta.
● Use estrutura empilhada para as placas, use o dispositivo de guia auxiliar para tornar a operação mais estável.
● Integrar filtragem, extrusão, lavagem, secagem ao ar, descarga de bolo e lavagem de pano juntos.
● A pressão de extrusão até 1.6MPa, é amplamente utilizado no campo que tem diferentes requisitos para a umidade do bolo.
● 4.use sistema de controle de acionamento hidráulico, tornar a operação estável e com baixo consumo de energia.
● Integrar PLC, HMI e sistema de controle de instrumentos etc. inteligente juntos, torna o filtro mais eficiente e mais fácil.
● Use o dispositivo de limpeza de água de alta pressão para tornar a lavagem de pano mais eficaz.
● Design com câmara circular, a estrutura mais racional, a eficiência mais proeminente.















