Filtro Hesheng
Equipamento Introdução
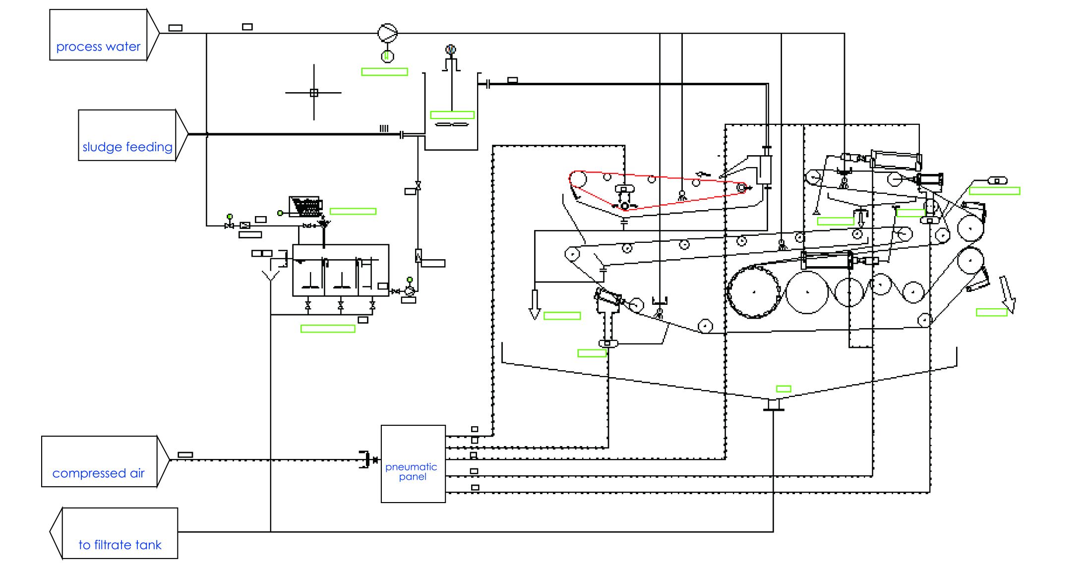
O filtro de correia tipo DWY é projetado e fabricado por nossa fábrica. Tem cinto de filtro em forma de S, então a pressão do lodo é gradualmente aumentada e aliviada. É adequado para a desidratação de materiais hidrofílicos orgânicos e materiais hidrofóbicos inorgânicos. Devido ao alongamento da zona de sedimentação, esta série de filtro de prensa tem uma rica experiência em prensagem de filtro e desidratação de diferentes tipos de materiais. Considerando diferentes características de lodo de impressão e DLYeing, lodo de galvanoplastia, lodo de fabricação de papel, lodo químico, lodo de esgoto municipal, lodo de mineração, lodo de metal pesado, lodo de couro, lodo de perfuração, lodo de fabricação de cerveja, lamas alimentares, lamas de alumínio, refinaria de petróleo “três lamas”, gás flutuante lamas de fábrica de fibras químicas, Lodo de água residual de polimento de cerâmica, lodo bioquímico de cervejaria, lodo de fabricação de sal alcalino, lodo de fundição úmida, lodo de dióxido de manganês eletrolítico, lodo de grãos destiladores, lodo de amido, lodo de mina de pirita, lodo de escória de carboneto, lamas de caulim, lamas de fábrica de cimento, lamas de lavagem de carvão, lodo de pasta grande concentrado de sinterização, Lamas de rejeitos de planta de aço, lamas de conversor de planta de aço, lamas de gás de alto-forno de planta de aço e lamas em outras indústrias, temos projetos especiais no filtro de prensa de correia para ajudar os clientes a melhorar a capacidade de tratamento de esgoto, reduzir o teor de umidade do bolo e reduzir os custos operacionais.

● O sistema de condicionamento de material pode ser projetado de acordo com materiais e requisitos de desidratação. Pode alcançar um bom efeito de floculação, menos dosagem de floculação e custos operacionais mais baixos.
● Selecione o material da correia de filtro de acordo com os materiais de processamento. A correia do filtro tem bom desempenho de filtração, regeneração e decapagem para garantir um excelente efeito de desidratação do material.
● Equipado com bomba de água centrífuga, filtro e tubo de pulverização de água, etc., o efeito de regeneração da correia do filtro é bom, o tubo de pulverização de água é fácil de limpar e o consumo de água é pequeno, cinto de filtro pode ser lavado com água de descarga.
● O ajuste da velocidade da correia é simples, fácil de escolher a melhor velocidade da correia.
● A zona de desidratação por gravidade está equipada com várias grades de arado de material, que destroem a tensão superficial dos materiais e melhoram o efeito de desidratação.
● Alongar a zona de desidratação da prensa, especialmente adequada para a desidratação de alguns materiais que são difíceis de processar, se forem pegajosos e arrastados com fibras, cordas e outros detritos (como impressão e lodo DLYeing). O tensionamento e o redirecionamento da correia do filtro podem controlar automaticamente devido a componentes pneumáticos. Torna-se fácil de ajustar e manter, mantém estável e confiável. O grau de automação de toda a máquina é muito alto e a intensidade do trabalho dos operadores é baixa. O projeto aberto faz a máquina inteira conveniente para observar a operação do equipamento, facilitando o ajuste e a manutenção.)

